首页
产品
比例阀
常规阀
放大器
底板
阀组系列
关于我们
新闻
应用
常问问题
联系我们
English
简体中文
电子邮件
Follow
搜索
关闭
选择你的网站
全球的
社交媒体
首页
产品
比例阀
常规阀
放大器
底板
阀组系列
关于我们
新闻
应用
常问问题
联系我们
首页
»
产品
»
比例阀
»
比例压力阀
»
DRE(M)(E)-6X
产品分类
比例阀
比例换向阀
比例压力阀
比例流量阀
常规阀
方向阀
压力阀
流量阀及附件
放大器
底板
阀组系列
loading
loading
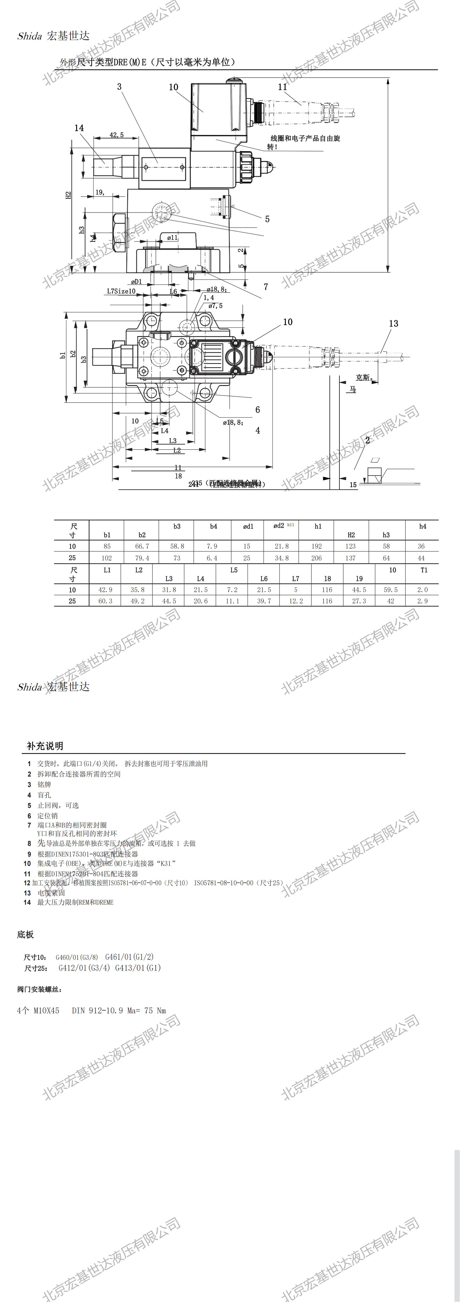
DRE(M)(E)-6X
状态:
数量:
询价
加入询价篮
型号:
DRE-6X
DRE10-6X 比例减压阀 减压阀
产品描述
样本下载
DRE-6X.pdf
三维下载
相关产品
DBETX-10
DBETR-10
DBET-6X
DBEM-7X
北京宏基世达液压有限公司,位于北方液压阀生产基地密云,公司占地面积13333.33 ㎡,由众多具有丰富经验的液压工程技术人员和液压工程师于2002年共同合资创建的股份制企业。
bjhjsd@126.com
010-89024085
010-89024086
13810121285
快速链接
首页
产品
关于我们
新闻
应用
联系我们
隐私政策
留言
联系我们
*
电子邮件
姓名
*
信息
提交
*
验证码
产品分类
比例阀
常规阀
放大器
底板
阀组系列
联系我们
电话:010-89024085
传真:010-89024086
手机: 13810121285
电子邮件:
bjhjsd@126.com
地址:北京市密云区十里堡隆源工业区B区
订阅
版权所有©
2023
北京宏基世达液压有限公司 版权所有
网站地图
| 技术支持
Leadong